个人接单上门服务_个人接单上门服务_怎么找同城快餐啊_qq二维码叫小妹
电子招采系统
郑重声明:
近期,有许多人自称是湖南省湘咨工程咨询管理有限责任公司(简称湘咨管理)职员,开展招标代理、造价、监理、工程咨询等业务活动。在此,我们郑重声明:凡我司职员或授权开展相关业务人员,都具备“湘咨管理”电子名片小程序,请各地方客户和广大群众提高警惕,谨防上当受骗。如已造成损失,及时向当地公安机关举报案件线索。我司保留采取相应法律手段的权利。特此声明。我司联系人:王工 联系电话0731-84447300-2090。
监督电话:
85507300
首页
公司概况
公司简介
领导致辞
组织架构
资质认证
主要荣誉
企业文化
企业文化
党建群团
优秀员工
发展纲要
新闻中心
公司新闻
行业新闻
通知公告
政策法规
招标采购
造价咨询
工程咨询
工程监理
招采信息
招标公告
中标公示
更正公告
其它
业务案例
业务范围
合作单位
精品案例
业绩展示
分支机构
人才招聘
联系我们
线上办公
OA办公系统
电子招采系统
关注我们
企业定位:竭诚为客户提供一站式、全过程工程咨询服务
企业使命:为项目创造价值,为客户追求卓越,为员工增进福祉
服务宗旨:公正 专业 科学 诚信
B
招标采购信息
idding & procurement
招标公告
中标公示
更正公告
其它
更正公告
以政府部门指定的媒体发布为准
当前位置:
首页->招标采购信息->更正公告
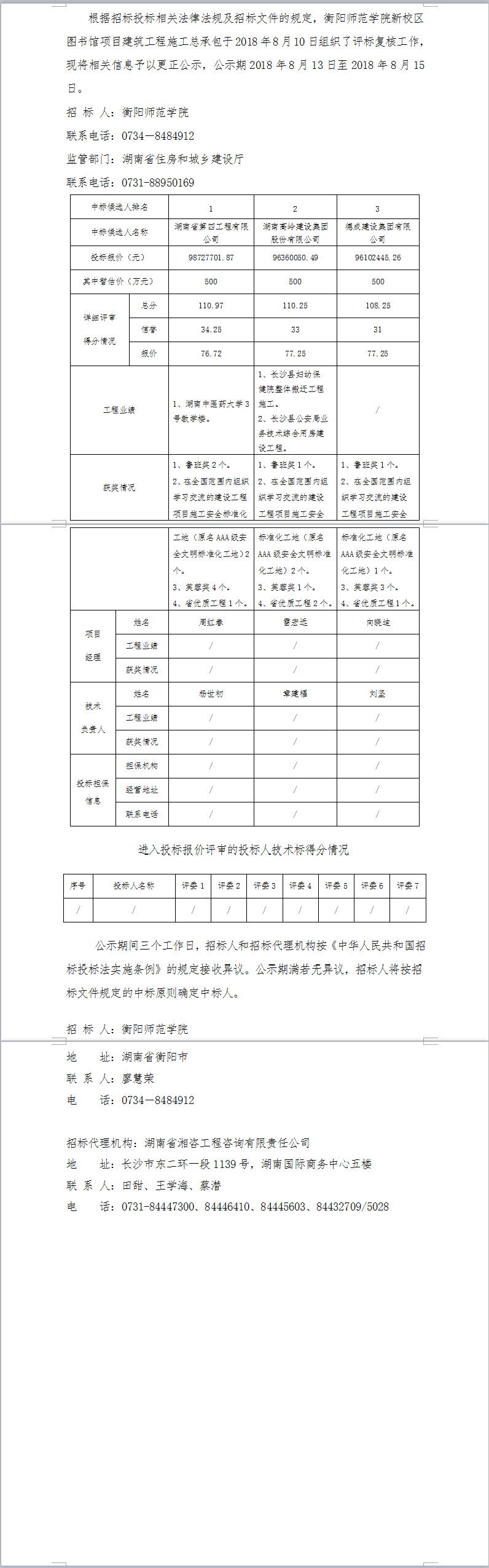
衡阳师范学院新校区图书馆项目建筑工程施工总承包招标投标信息公示表更正公示
发布时间:2018-08-15 01:06:35 阅读:
1873
次
打印本页
||
关闭窗口
联系方式
电话:(0731)85507300/85567300
网址:http://www.tgwgk.cn
地址:长沙市雨花区雨花路88号(大鸿杰座)
邮编:410007
线上办公
电子招采系统
关注我们
公司概况
|
企业文化
|
新闻中心
|
政策法规
|
招采信息
|
业务案例
|
分支机构
|
人才招聘
|
联系我们
Copyright 2024
http://www.tgwgk.cn All Rights Reserved
湖南省湘咨工程咨询管理有限责任公司 版权所有
湘ICP备2021014897号-1
网站访问量:55367626
网站统计
业务咨询
(0731)85507300/85567300
电子邮件